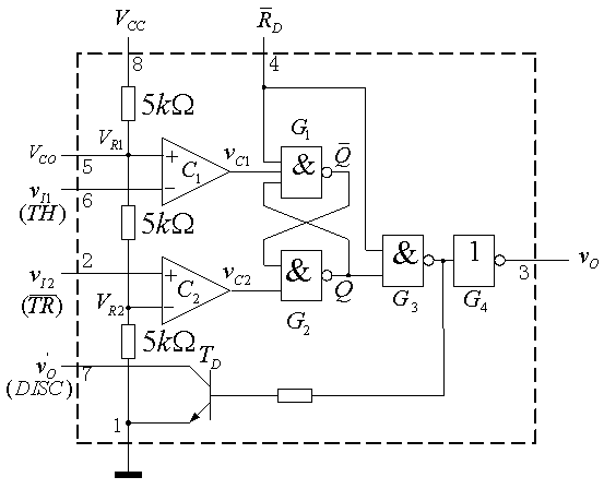
555定时器引脚图及功能表
555定时器是一种模拟和数字功能相结合的中规模集成器件,用双极型(TTL)工艺制作的称为 555,用互补金属氧化物(CMOS )工艺制作的称为 7555。555定时器能够产生的波形在一些家电、控制器、电子玩具等有一些应用。本文介绍555定时器的引脚图以及功能。
555定时器引脚图
555定时器引脚图及引脚描述:555定时器中有八个脚,每个脚的电压输入端都是不一样的,要用UCC来表示,今天就从这八个脚来了解一下555定时器引脚图吧。
1脚是接地的,2脚是作为触发的输入端口,3脚是作为输出的端口,能够在输出的状态能够得以控制,3脚的输出感受器上接到信号后,会使6脚和2脚得以控制。当2脚的触发器感受到高于A1的输入,就会归置到复位的状态。其中这八个脚中,2脚和6脚是作为互补脚,2脚对低于电压具有平起的作用,对高雅没有任何的作用,在这个时候,3脚是处于高压的电平状态;6脚是一个阈值端口,对高压平起有作用,在低压平起状态完全不起任何作用。3脚的电压很是接近电源的电压,它的输出最大的电流能够达到200mA。
4脚是复位端口,不得低于零点四伏特,2脚和6脚在任何状态都会使3脚的输出会是低电平的状态。5脚是整个定时器的控制端口,7脚是定时器的放电的端口,和3脚是处于同步的状态,特别是它们所输出的电平是一样的,但是它们之间还是有不同的,那就是7脚是没有输出的电流,因此,3脚被我们规定成为是实高(低),而7脚被我们规定成为虚高(低)。
555定时器的功能表
将高触发端TH和低触发端TR连接在一起,上述的555功能表变为如下功能表。
555定时器引脚图就是一种集成电路,对555定时器的应用很是广泛:
1、555定时器应用到构成的施密特触发器上,特别是在TTL的系统接口上得以广泛应用,还有就是在整形的电路中被应用。
2、555定时器应用到构成谐振荡器,能够与组合信号结合,形成电路。
3、555定时器应用到构成的单稳态的触发器上,在一定程度上能够延时一些定时的开关等。
文章素材来自互联网
NE555到底是个什么芯片,深度剖析芯片原理
双列直插NE555
NE555外观图
DIP封装的555芯片各引脚功能如下表所示
芯片各引脚功能
功能描述:
引脚名称功能1GND(地)接地,作为低电平(0V)2TRIG(触发)当此引脚电压降至1/3VCC(或由控制端决定的阈值电压)时输出端给出高电平。3OUT(输出)输出高电平(+VCC)或低电平。4RST(复位)当此引脚接高电平时定时器工作,当此引脚接地时芯片复位,输出低电平。5CTRL(控制)控制芯片的阈值电压。(当此管脚接空时默认两阈值电压为1/3VCC与2/3VCC).6THR(阈值)当此引脚电压升至2/3VCC(或由控制端决定的阈值电压)时输出端给出低电平。7DIS(放电)内接OC门,用于给电容放电。8V+,VCC(供电)提供高电平并给芯片供电。
NE555
内部框图
内部框图
555定时器可工作在三种工作模式下
单稳态模式:在此模式下,555功能为单次触发。应用范围包括定时器,脉冲丢失检测,反弹跳开关,轻触开关,分频器,电容测量,脉冲宽度调制(PWM)等。 无稳态模式:在此模式下,555以振荡器的方式工作。这一工作模式下的555芯片常被用于频闪灯、脉冲发生器、逻辑电路时钟、音调发生器、脉冲位置调制(PPM)等电路中。如果使用热敏电阻作为定时电阻,555可构成温度传感器,其输出信号的频率由温度决定。 双稳态模式(或称施密特触发器模式):在DIS引脚空置且不外接电容的情况下,555的工作方式类似于一个RS触发器,可用于构成锁存开关。单稳态工作模式
在单稳态工作模式下,555定时器作为单次触发脉冲发生器工作。当触发输入电压降至VCC的1/3时开始输出脉冲。输出的脉宽取决于由定时电阻与电容组成的RC网络的时间常数。当电容电压升至VCC的2/3时输出脉冲停止。根据实际需要可通过改变RC网络的时间常数来调节脉宽。
输出脉宽t,即电容电压充至VCC的2/3所需要的时间由下式给出:
t=RC1n(3)=1.1RC
虽然一般认为当电容电压充至VCC的2/3时电容通过OC门瞬间放电,但是实际上放电完毕仍需要一段时间,这一段时间被称为“弛豫时间”。在实际应用中,触发源的周期必须要大于弛豫时间与脉宽之和(实际上在工程应用中是远大于)。
双稳态工作 模式
双稳态工作模式下的555芯片类似基本RS触发器。在这一模式下,触发引脚(引脚2)和复位引脚(引脚4)通过上拉电阻接至高电平,阈值引脚(引脚6)被直接接地,控制引脚(引脚5)通过小电容(0.01到0.1μF)接地,放电引脚(引脚7)浮空。所以当引脚2输入高(有误应为低)电压时输出置位,当引脚4接地时输出复位。
无稳态模式
无稳态工作模式下555定时器可输出连续的特定频率的方波。电阻R1接在VCC与放电引脚(引脚7)之间,另一个电阻(R2)接在引脚7与触发引脚(引脚2)之间,引脚2与阈值引脚(引脚6)短接。工作时电容通过R1与R2充电至2/3VCC,然后输出电压翻转,电容通过R2放电至1/3VCC,之后电容重新充电,输出电压再次翻转。
对于双极型555而言,若使用很小的R1会造成OC门在放电时达到饱和,使输出波形的低电平时间远大于上面计算的结果。
为获得占空比小于50%的矩形波,可以通过给R2并联一个二极管实现。这一二极管在充电时导通,短路R2,使得电源仅通过R1为电容充电;而在放电时截止以达到减小充电时间降低占空比的效果。
以下为NE555的电气参数
其他不同规格的555定时器可能会有不同的参数,请查阅数据手册。供电电压(VCC)4.5-16 V额定工作电流(VCC= +5 V)3-6 mA额定工作电流(VCC= +15 V)10-15 mA最大输出电流200 mA最大功耗600mW最低工作功耗30mW(5V),225mW(15V)温度范围0-70°C。
内部结构和电气标识
相关问答
555芯片常见用途?
NE555是属于555系列的计时IC的其中的一种型号,555系列IC的接脚功能及运用都是相容的,只是型号不同的因其价格不同其稳定度、省电、可产生的振荡频率也不大相同...
N555是什么芯片?
NE555为8脚时基集成电路.ne555时基电路封形式有两种,一是dip双列直插8脚封装,另一种是sop-8小型(smd)封装形式。其他ha17555、lm555、ca555分属不同的公司生...
555芯片的电源vcc管脚是?
ne555集成电路的vcc脚是第8脚。ne555集成电路的vcc脚是第8脚。
555定时器的工作原理是什么?
分享我知道的关于555芯片的信息,这款芯片功能强大,价格便宜,外围简单,开动脑筋用法十分多。回归正题,555定时器是一种集成电路芯片,常被用于定时器、脉冲产...55...
555定时器引脚接法?
555定时器有8个引脚,其中接法如下:引脚1连接至负极电源,引脚2连接至触发输入,引脚3连接至输出,引脚4连接至复位输入,引脚5连接至控制电压,引脚6连接至阈值...
555定时器中外加电压5号引脚具体是怎么影响UthUtl的?
5脚内部连接的是上比较器的反相输入端,悬空时其电位是Vcc2/3,外加电压时其电位就由外电压决定,6脚输入电平就是与此电位相比较,因此影响Uth。而下比较器的正...
ne555第二管脚低于1/3电源电压以下时即导通,导通是什么意思....
[最佳回答]555内部由三个等值电阻进行分压,2、6脚分别对应1/3、2/3供电电压的比较值,当2脚低于1/3,是该脚所接的比起器输出高电平(应该就是你说的“导通”).5...
555芯片发明人?
HansR.Camenzind,在1971年设计了第一款555定时器集成芯片,当时他任职于美国Signetics公司。这个设计也成为HansR.Camenzind在集成电路技术领域中最重要的....
555定时器的工作原理。-ZOL问答
在单稳态工作模式下,555定时器被用作单次触发脉冲发生器。当触发输入电压达到VCC的1/3时,输出脉冲开始产生。输出脉冲的持续时间取决于由RC网络(由定时电阻和...
555定时器实验中,第5管脚为什么要经一个电容接地?第4管脚为什么要接+5V.考试用?
为了防止干扰信号从5叫输入,影响震荡周期。4脚是芯片复位,接正极芯片才能正常工作,接负极芯片就停止工作。为了防止干扰信号从5叫输入,影响震荡周期。4脚是...
