国开 逻辑门电路功能测试
一、实验目的
1.验证常用门电路的逻辑功能。
2.了解常用74LS系列门电路的引脚分布。
3.根据所学常用集成逻辑门电路设计一组合逻辑电路。
二、实验原理
集成逻辑门电路是最简单、最基本的数字集成元件。任何复杂的组合电路和时序电路都可用逻辑门通过适当的组合连接而成。目前已有门类齐全的集成门电路,例如“与门”、“或门”、“非门”、“与非门”等。虽然,中、大规模集成电路相继问世,但组成某一系统时,仍少不了各种门电路。因此,掌握逻辑门的工作原理,熟练、灵活地使用逻辑门是数字技术工作者所必备的基本功之一。
TTL门电路
TTL集成电路由于工作速度高、输出幅度较大、种类多、不易损坏而使用较广,特别对学生进行实验论证,选用TTL电路比较合适。因此,本书大多采用74LS(或74)系列TTL集成电路。它的工作电源电压为5V土0.5V,逻辑高电平1时≥2.4V,低电平0时≤0.4V。
<p>2输入“与门”,2输入“或门”,2输入、4输入“与非门”和反相器的型号分别是:74LS08:2输入端四“与门”,74LS32:2输入端四“或门”,74LS00:2输入端四“与非门”,74LS20:4输入端二“与非门”和74LS04六反相器(“反相器”即“非门”)。各自的逻辑表达式分别为:与门Q=A?B,或门Q=A+B,与非门Q=A.B,Q=A.B.C.D,反相器Q=A。
TTL集成门电路集成片管脚分别对应逻辑符号图中的输入、输出端,电源和地一般为集成片的两端,如14管脚集成片,则7脚为电源地(GND),14脚为电源正(Vcc),其余管脚为输入和输出,如图1所示。
管脚的识别方法是:将集成块正面(有字的一面)对准使用者,以左边凹口或小标志点“ ? ”为起始脚,从下往上按逆时针方向向前数1、2、3、…… n脚。使用时,查找IC手册即可知各管脚功能。
图1 74LS08集成电路管脚排列图
三、实验内容与步骤
TTL门电路逻辑功能验证
(1)与门功能测试:将74LS08集成片(管脚排列图1)插入IC空插座中,输入端接逻辑开关,输出端接LED发光二极管,管脚14接+5V电源,管脚7接地,即可进行实验。将结果用逻辑“0”或“1”来表示并填入表1中。
表1 门电路逻辑功能表
输入
输出
与门
或门
与非门
或非门
B(K2)
A(K1)
Q=AB
Q=A+B
Q=AB
Q=A+B
0
0
1
1
0
1
0
1
(2)或门功能测试:将74LS32集成片(管脚排列图见图2)插入IC空插座中,输入端接逻辑开关,输出端接LED发光二极管,管脚14接+5V电源,管脚7接地。将结果用逻辑“0”或“1”来表示并填入表4.1中。
图 2 74LS32四2输入或门管脚排列图
(3)与非门功能测试:将74LS00集成片(管脚排列图见图3)插入IC空插座中,输入端接逻辑开关,输出端接LED发光二极管,管脚14接+5V电源,管脚7接地。将结果用逻辑“0”或“1”来表示并填入表1中。
图3 74LS00 2输入四与非门管脚排列图
(4)或非门功能测试:将74LS00和74LS32集成片插入IC空插座中,输入端接逻辑开关,输出端接LED发光二极管,管脚14接+5V电源,管脚7接地。将结果用逻辑“0”、“1”来表示并填入表1中。
四、注意事项
1.TTL门电路的输入端若不接信号,则视为高电平。在拔插集成块时,必须切断电源。
在实验时,当输入端须改接连线时,不得在通电情况下进行操作。需先切断电源,改接连线完成后,再通
电进行实验。输出端一般不需作保护处理。
五、实验总结
1.整理实验表格。
2.画出门电路逻辑变换的线路图。
六、设计电路
试用与非门和反相器(非门)设计一个3输入(A0、A1、A2)、3输出(Q0、Q1、Q2)的信号排队电路。
其功能是:当输入A0为1时,无论A1和A2为1还是0,输出Q0为1,Q1和Q2为0;当A0为0且A1为1,无论A2为1还是0,输出Q1为1,其余两个输出为0;当A2为1且A0和A1均为0时,输出Q2为1,其余两个输出为0。如A0、A1、A2均为0,则Q0、Q1、Q2也 均为0。该电路可用74LS00与非门和74LS04反相器构成,结果填入自拟的真值表中。
图4 74LS04反相器管脚排列图
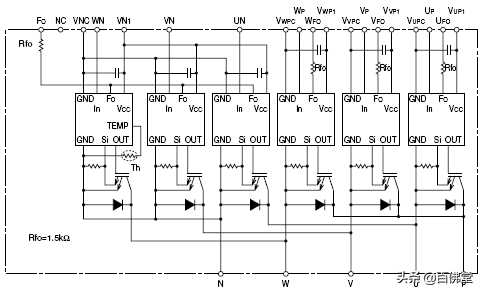
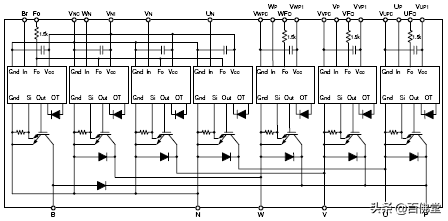
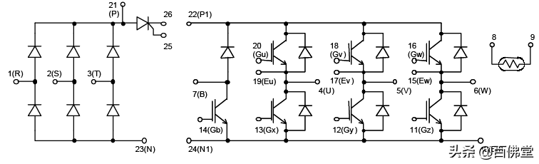
变频器电路常用IC引脚功能图
变频器电路常用IC引脚功能图
说明:
从应用的维修的角度,掌握一些IC器件的引脚功能,便于测量部分引脚的电压(电平)状态,判断IC是否处于正常工作状态就够了。IC内部,具体是个什么电路,是来不及也无须去管它的。比如单片机电路,重点检测供电、复位、晶振、控制信号、输入信号几个端子的电压(电平)状态,就可以了。对于数字(包括光耦合器)电路,一般情况下,知道器件引脚功能,便可根据输入、输出端的逻辑关系,测量判断IC的好坏了。而模拟电路,在变频器电路中,一半是用于处理开关量信号的,如电压比较器等,检测判断上,同数字电路是一样方便的。部分处理模拟信号的模拟电路,可据动、静态电压的明显变化,测其好坏,也不是太难的事。
因而,只要知晓两点,1:IC是个什么类型的芯片,数字或模拟电路?2:引脚功能,该脚为输入、输出或供电脚?便能实施测量了。将变频器常用IC引脚功能图,集中附录于后,就不必花费大量时间再去查阅相关的手册了。
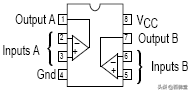
一、CPU(微控制器)芯片及外围IC电路引脚功能图:
1、CPU芯片-MB90F562B贴片封装64引脚,应用广泛:
2、CPU芯片-S87C196MH贴片封装80引脚,应用广泛:
3、CPU芯片-MN18992MDY-6塑封双列直插,64引脚,用于松下早期DV551、DV561机型:
4、CPU芯片-HD6404733037F贴片封装80引脚,应用广泛:
5、存储器引脚功能图:
93C56 24C04A 93C66
6、RS485通讯模块引脚功能图:
ADM485 SN75179B
二、常用运算放大器引脚功能图:
LF347四运放电路 LM324四运放电路 LM339四运放(开路集电极输出)
LF353 双运放电路 LM393双运放(开路集电极输出) TL072四运放电路
运算放大器多用于电流、电压检测电路,用于处理模拟信号和将模拟信号转换为开关量信号——报警、停机保护信号。开路集电极输出型多用于电压比较器电路。运算放大器有较好的代换性,如上图LF347、LM324、TL072都可以直接代换。当引脚排列不一致时,改换端子接线也能代换。
开路集电极输出型运算放大器,必须用同类型放大器代换。
三、常用数字IC电路引脚功能图:
74LS00四2输入与非门 74LS07六缓冲器/驱动器 MC4044四与非R-S锁存器(三态)
MC14069六反相器 ULN2003A七路驱动器 74LS74A双D型正沿触发器
BU4066四双向模拟开关 74LS244八缓冲器/线驱动器/线接收器(三态)
数字集成电路据材料和制作工艺的不同,也分为几大类型。但以TTL(三极管-三极管逻辑)集成电路和CMOS(互补型金属氧化物半导体逻辑)集成电路为主。应用面最广、数量最大的是74系列的TTL电路和4000系列的CMOS电路。TTL电路功耗稍大,但工作频率较高和输出电流能力较强,供电电压为5V;CMOS电路特性与之相反。有较宽的供电电压(3.0—18V)范围。在5V供电情况下,同类型电路两者可以互换。不同供电情况下,TTL电路损坏后,可以考虑用CMOS电路代换。
四、常用驱动IC:
TLP250和HCPL3120可直接代换,将输出引脚改动一下,也可与PC923相代换。PC923、PC923往往配套使用,而A4504和MC33153也是配套使用的,两者组合完成了PC929的功能。
五、常用光电耦合器:
4N35 6N139 TLP120
TLP591 A7840(HCPL7840)线性光耦 PC817
光电耦合器用于变频器的控制端子内电路,开关电源的电压采样与隔离等,只要是四线端元件,往往可用PC817代换之。线性光耦不能用普通光耦合器代换,最好用原型号器件代换。
六、开关电源振荡芯片:
8引脚封装UC3842 14引脚封装UC3842
8引脚封装UC3844 14引脚封装UC3844
UC3842、UC3844的引脚功能一致,都有8脚和14脚两种封装形式。UC3842、UC3843可相互代换;UC3844、UC4845可相互代换。
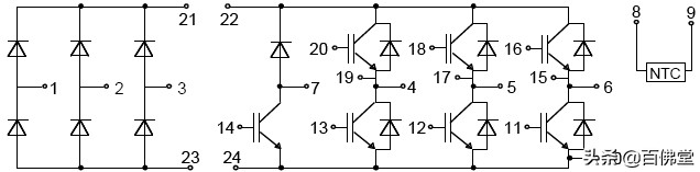
七、常用功率(逆变)模块:
7MBR35SD120 功率模块
BSM15GP120功率模块
功率模块的封装形式和尺寸一致,代换模块的额定电流值应等于或大于原损坏模块。
PM100VR120 IPM智能逆变功率模块
PM100RLA120 IPM智能逆变功率模块
智能功率模块应严格按原型号代换。
相关问答
74ls00n引脚图及原理?
74LS00引脚图:74ls00是常用的2输入四与非门集成电路,他的作用很简单顾名思义就是实现一个与非门。74LS00真值表:A=1B=1Y=0A=0B=1Y...74LS00引脚图...
74ls192芯片引脚图及功能?
74lS192芯片引脚的功能;引脚1、3是电压输入端,引脚2、4是电压输出端,引脚5是电源,引脚6是电流输入信号端,引脚7是输出信号端。该芯片的主要作用是控制电路中...
hd74ls00p引脚功能?
1.hd74ls00p是一种数字集成电路,它是一种四路双输入与门,即它可以接受四个信号输入,只有当这四个信号同时为1时,输出才会为1。2.这种集成电路通常用于数字...
multisim74ls00引脚怎么设置?
1.安装Multisim软件并打开电路图设计界面。2.从元件库中找到74LS00芯片并将其拖放到电路图中。3.在Multisim的菜单栏中选择“工具”>“引脚编辑器”。4.在...
...0832的接口电路8、74LS244的引脚电路图9、74LS244的接_作业帮
[最佳回答]1,systemcompositiondiagram2,the89C51pindiagram3andsingle-chipmicrocomputersmallestsystem...
74ls00和74ls00n的区别?
74LS00和74LS00N都是双输入与非门,它们的引脚排列和功能表基本相同。主要区别在于:电源电压不同:74LS00的电源电压范围为5V至15V,而74LS00N的电源电压范围为3...
74ls01中ls是指?
74LS01是一种集成电路(IC)的型号,其中的LS代表低功耗航空航天级,指的是该型号的集成电路具有低功耗和高可靠性。这种型号的集成电路常用于数字逻辑电路中,...
74ls192引脚为什么要悬空?
74LS192是一种同步计数器芯片,在使用时,如果某一引脚没有被连接,则会有电磁波干扰的现象。因此,为了保证信号稳定,未使用的引脚应该悬空,这样有助于减小电...
74LS153和74LS139的引脚G的作用,及如何起作用_作业帮
[最佳回答]74LS139的引脚G,G是使能端.当G=H时,输出Y0,Y1,Y2,Y3都等于H.当G=L时,输出Y0,Y1,Y2,Y3根据输入A,B的值.74LS153的引脚G,G是使能端,也叫选通端,当G=H....
74ls190和74ls00计数器怎么设置?
74ls190和74ls00计数器需要按照以下步骤进行设置:1.首先要明确74ls190和74ls00计数器的设置流程。2.74ls190和74ls00计数器是数字集成电路器件,常用于数码管...
