-40°工业级军工级开关IC 常用8脚电源开关芯片 超低功耗开关IC
EH2728-9377 低功耗电子开关芯片
一. 功能说明
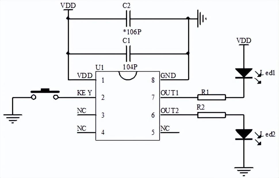
一路按键输入控制两路电平信号同步输出(可二选一)。上电OUT1为高电平,OUT2为低电平。短按按键触发开机OUT1输出低电平,OUT2输出高电平,再短按按键电平翻转(OUT1输出高电平,OUT2输出低电平),依次循环。开机和关机状态下芯片都是低功耗。
二. 极限参数
Absolute Maximum Ratings
Voltage applied at VDD to VSS ................................- 0.3V to 6.0V
Voltage applied at any pin to VSS..............................- 0.3V to VDD+0.3V
Operating ambient temperature.....................................-40°C to 85°C
Storage ambient temperature ................................... -40°C to 120°C
三. 电气参数(VDD=3.0V TA=25℃)
参数
符号
最小值
典型值
最大值
单位
条件
工作电压
VDD
2.4
3.0
5.0
V
工作电流
IOP
5
uA
VDD=3.0V小于5uA
静态电流
ISTB
5
uA
VDD=3.0V小于5uA
驱动电流低电平输出
IOL
14
mA
VDD=5.0V,VOL=0.7V
驱动电流高电平输出
IOH
6
mA
VDD=5.0V,VOH=VDD-0.7
过VDD极限电流
IVDDmax
50
mA
过GND极限电流
IGNDmax
50
mA
工作温度
TA
-40
25
85
℃
储存温度
Tstg
-40
25
90
℃
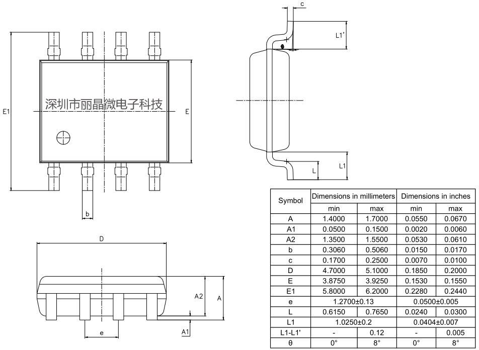
四. 封装脚位图(SOP-8)
低功耗开关电源芯片
管脚号
符号
功能描述
1
VDD
电源正
2
KEY
开关控制脚
3
NC
悬空
4
NC
悬空
5
NC
悬空
6
OUT2
上电低电平,触发高电平输出
7
OUT1
上电高电平,触发低电平输出
8
GND
电源负
五. 电路图参考
常用8脚电源开关芯片
主控推LED应用图参考
低功耗开关机芯片
*C2电容可根据电源实际需要调整或省略
六. 封装尺寸图(SOP-8)
SOP-8开关机芯片方案
七.版本说明
版本
日期
描述
EH2728-9377
2022/8/6
V01初版
用DK1203代换几乎所有8脚电源芯片
经本人亲自测试代换过多种型号的IC都能完美修复原板。dk1203采用DIP8封装,自供电, 所以不需要反馈绕组和启动电阻。最大输出18W。在没有原型号的情况下非常容易就改好原电源板,也很可靠。
经本人测试过的型号有sd6832 sd6834 Q100 dh321 ln9t08 1014ap10 yt1604......,不用改取样电路,只要注意如果光耦3脚不是接地的要改地。1203能用到DVD,DVB,小型充电器,液晶电视待机电源上。
现介绍一下它的引脚功能。 1脚空。2脚供电脚(此脚可以理解为内部供电滤波端电压为5V)接10-100U电容到地。3脚地 4脚空, 5脚接光耦的4脚(光耦3脚接地)。6脚空脚,78脚为内部开关管D极(接开关变压器)。
代换过程中不用增加任何元件只做少许的改动(划断或者是飞线),只要对应上引脚功能就能成功
这里要说一下如果代换yt1604 因为这个芯片很奇葩 要反过来装在反面。就是1对8 2对7 ...8对1
说了这么多感觉很复杂,当你拿到板在手上对照一下引脚你会感觉也就是两烙铁的事。(只用接2 3 5 78脚)当然你可能会说直接换个板就完了,第一换的板质量是个问题,第二,你没有发现有的电源换板后,输出电压不如原板的稳定,甚至有偏高或者是偏低的情况。第三, 作为一个修理工能完美修复原板那是我等的职业操守
此文的目的是为在没有原装元件的情况下,能在几分钟内修好机器。
原文:http://www.jdwx.info/thread-738639-1-1.html
下面DK1203的应用电路奉上 供不知道的兄弟们参考:
相关问答
8脚开关电源芯片有哪些?-小洪蝎的回答-懂得
原边6W开关电源芯片U6117SSOP-8效率满足六级能效要求低待机功耗小于70mW内置600V功率MOSFETQR-PSR控制提高工作效率原边10W开关电源芯片U6117SASOP...
2脚接地4脚供电的8脚开关电源管理芯片?
8脚电源芯片TB6806是一款高性能原边控制器,可提供高精度恒压和恒流输出性能,尤其适合于小功率离线式充电器应用中。同时,TB6806也支持准谐振降压型LED恒流、...
关于12V开关电源8脚芯片?
你可以自己搜一下常用的8脚开关电源驱动IC型号,将它们的典型电路和你这个对比一下,一样的就能代换。你可以自己搜一下常用的8脚开关电源驱动IC型号,将它们的...
八脚电源芯片常用的型号?
脚的开关电源芯片IC很多,列举一些——LM2574、LM2594、CS51031、CS51411、NCP1501、NCP1523、NCP1546、NCP1547、NCP1571、NCP1582、NC...
寻求高手,找开关电源上的六脚芯片-ZOL问答
使用六脚开关电源芯片,制作开关电源,可以选择OB2532芯片。OB2532是一只六脚开关电源芯片,1脚是GND端,2脚是GATE端,3脚是CS端,4脚是INV端,5脚是COMP端,6脚是VDD...
九阳电饭煲7脚电源芯片是什么型号?
现在有两种说法,一是PN8024,一种是VIPer12A。两种芯片的引脚不一样,前者是7脚,后者是8脚。前者6、7脚接300V高压,5脚空脚。后者5、6、7、8四脚并联接300V高压...
8脚IC1脚接电源8脚接地是什么型号?
估计是一片单片机,就算是知道了型号也无能为力呀,买了一片新的,可以没有程序也不能工作呀。如果不是单片机,那也很难猜到型号,能不能找下厂家维修呀。估计是...
8脚开关电源芯片有哪些?
深圳市银联宝电子科技有限公司原边10W开关电源芯片U6117SASOP-8原边反馈/内置MOSFET效率满足六级能效要求低待机功耗小于70mW内置600V功率MOSFETQR...
7脚电源芯片工作原理?
开关电源芯片U6119S是一款高性准谐振Buck控制器,可提供高精度恒压和恒流输出性能,适用于所有小功率DCDC降压的应用中。开关电源芯片U6119S在恒流输出模式中,芯...
8脚封装电源芯片各引脚具体有什么功能呢?
[回答]1脚(COMP)为误差放大器补偿脚。该脚与误差放大器反相输入端(VFB)之间应接入RC补偿网络,以改善误差放大器的性能。2脚(VFB)为误差放大器的反相输入端...
