什么是 LM324?LM324 引脚图及功能讲解,图文+案例,带你搞定 LM324
我是小七,干货满满 。大家不要错过,建议收藏 ,错过就不一定找得到了,内容仅供参考,图片记得放大观看。
如果有什么错误或者不对,欢迎各位大佬指点 。
图片来源于网络
今天是 LM324 四路运算放大器 ,主要是以下几个方面:
什么是 LM324 芯片?LM324 引脚图及功能 LM324 特性参数 讲解LM324 工作原理 讲解LM324 运放电路图 讲解一、什么是LM324 芯片?
LM324 是一款集成了四个运算放大器的四路运算放大器 IC ,由一个公共电源供电。差分输入电压范围可以等于电源电压的范围。默认输入失调电压非常低,幅度为 2mV。环境温度范围为 0°C 至 70°C,而最高结温可高达 150°C。通常,运算放大器可以执行数学运算 。
LM324 实物图
二、LM324 引脚图及功能
LM324 有 14 个引脚 ,封装 主要是以下几种:CDIP、PDIP、SOIC 和 TSSOP 。可以去查询 datasheet 了解所有的封装。
LM324 引脚图 如下所示:
LM324 引脚图
LM324 引脚功能详细讲解 如下表所示:
LM324 引脚功能详细讲解图
三、LM324 特性参数讲解
LM324的特性参数如下所示:
单电源:3 V 至 32 V 双电源:±1.5 V 至 ±16 V 与电源电压无关的低 电源电流消耗:0.8 mA(典型值) 共模输入电压范围包括接地 ,允许在接地附近直接感应差分输入电压范围等于最大额定电源电压:32 V2 kV ESD保护 低输入偏置和失调参数输入失调电压 :3mV 典型值厌恶:2mV 典型值输入失调电流:2 nA(典型值)输入偏置电流:20 nA(典型值)厌恶:15nA 典型开环差分电压放大:100 V/mV 典型值内部频率补偿LM324 特性参数讲解
四、LM324 工作原理
这里设计了一个仿真电路 ,帮助你更好地了解 LM324 的工作原理。 下面这个电路十分简单,根据其中 LED 根据 LDR 值自动打开或关闭。
其关闭的状态如下图所示:
LM324 工作原理图
你可以在上图中看到,在输入端连接了 LDR ,而在其输出端连接了 LED 。可变电阻用于控制 LDR 传感器的灵敏度。
其打开状态如下图所示:
LM324 工作原理图
五、LM324运放电路图讲解
1、使用 LM324 芯片构建的函数发生器电路
下面为将使用 LM324 运算放大器 芯片构建的函数发生器电路 。
LM324 运算放大器芯片构建的函数发生器电路
上述电路的面包板电路如下图所示:
使用 LM324 芯片构建的函数发生器电路
以上就是用 LM324 搭建的函数发生器芯片。
工作原理:
如上所述,LM324 通过引脚 4 和 11 由直流电压供电。我们将 5V 至 15V 的任何电压馈入引脚 4-VCC,并将 -5V 至 -15V 的任何电压馈入引脚 11-GND,这为电路建立了足够的功率,使其可以运行。
第一个运算放大器 :该运算放大器产生方波 。100KΩ 电位器允许我们改变电路的频率。并且是调整输出信号频率的方式。所以在第一个运算放大器之后,我们有一个方波。接下来是积分器电路。当你将方波输入积分器电路时,输出是三角波。
在第二个运算放大器 之后,我们现在有一个三角波形,作为我们的第二个波形 。然后我们将这个三角波形输入另一个积分器电路。当你将三角波形输入积分器电路时,输出是正弦波形。
在第三个运算放大器 之后,我们有一个正弦波形 ,这是我们的第三个波形 。这个电路是非常基本的。
第一个运算放大器产生方波。我们将此方波馈入积分器电路,该电路输出三角波。然后我们将这个三角波馈入第二个积分器电路,输出一个正弦波。
100KΩ 电位器允许相当宽的频率范围,因此电路提供良好的频率调节,就像标准函数发生器一样。
该电路还可以轻松地进行幅度调整 。如果你使用直流电源为该电路供电,你要做的就是调整直流电源上的电压以改变信号的幅度。如果你通过电池为电路供电,那么你需要添加获得所需最大电压所需的电池数量,然后添加一个小值电位器,例如 200Ω-500Ω,以允许电压调整。
这就是使用 LM324 运算放大器芯片构建函数发生器电路的方式。
2、基于LM324 IC的手机检测器电路图
基于LM324 IC的手机检测器电路图 如下所示。
该电路的设计非常简单,可以在10 到20米的距离内对手机进行检测 。检测范围主要取决于手机,因为每个手机都有自己的信号生成能力。该电路只检测编码信号,不检测语音内容。 编码信号可以在手机接听电话时接收,也可以在收发短信的同时进行通话。该电路可用于多种用途,例如寻找丢失的手机,在禁区寻找手机。
基于LM324 IC的手机检测器电路图
使用基本的电气和电子元件构建电路非常简单。LM324 运算放大器是电路的核心。该 IC 包含四个高增益运算放大器,但是该电路仅使用四个运算放大器中的单个运算放大器。
晶体管 2N4401 连接在 LM324 的输出端,以使 LED 以及压电蜂鸣器开启。LED 数量的连接也可以提高到 25 个。该电路可以在 4.5 V 至 12 V直流电压下运行。如果电路在低于 9V(较低电压)下运行,那么我们需要将电路中所有 LED 的限流电阻值从 470 Ω 替换为 220 Ω。电路灵敏度可以通过一个100K的可变电阻来改变。
3、基于 LM324 IC的感测温度和控制系统
下面将是一个简单的电路连接,用于感测温度和控制系统 。
基于 LM324 IC的感测温度和控制系统
在温度 = 25˚C 时,RT=10kὨ。反向输入=1.32V,非反向输入=2.36V。因此,输出为高电平,它可以通过晶体管或继电器驱动电机开启 。
基于 LM324 IC的感测温度和控制系统
在温度 = 70˚C 以上,RT=3kὨ。反向输入=1.32V,非反向输入=1.06V。因此,输出为低电平,它可以通过晶体管或继电器驱动电机关闭 。
基于 LM324 IC的感测温度和控制系统
如果要在电机的三个或四个位置监测温度,则可以在以下配置中使用 LM324。两个温度传感 RT1 和 RT2 的方向示例。
基于 LM324 IC的感测温度和控制系统
4、使用 LM324 的暗检测器示例
在这个暗检测器 示例中,LM324 用作比较器。光敏电阻是一种光传感器 。LDR 电阻会根据其周围环境中可用的光强度而变化。因此,我们可以将此光敏电阻用作光传感器来检测黑暗或测量光。我们也可以用 LDR 测量光。
在这个暗探测器示例中,使用 LM324 代替微控制器。
暗探测器工作原理:
我们通过 100Ω 在运算放大器引脚 14 的输出端连接 LED 。 这是一个指示灯 LED,只要 LDR 检测到光,它就会打开 。当 LDR 周围有灯时,LED 保持关闭状态。LM342N 用作比较器,反相端与 LDR 输出相连,同相端与可变电阻相连。 当引脚 13 上的电压大于引脚 12 上的电压时,比较器输出为 5 V 输出。该输出电压为 LED 提供正向电压并使其发光。LM324 的暗检测器示例
以上就是今天的内容,大家记得关注 ,给我点赞 哦,欢迎大家在评论区留言 ,请各位大佬多多指教 。
图片来源于小红书
LM324运放电路图讲解,详细解读LM324引脚图及功能,几分钟就搞懂
大家好,我是李工,创作不易,希望大家多多支持我。今天给大家分享一篇关于 LM324运放 10 个简单电路 的文章(来源于艾琳)。
这里先简单介绍一下 LM324运放引脚及功能 。
什么是LM324?
LM324 是一款四路运算放大器 IC ,由四个高增益放大器 组成。这四个高增益放大器 可通过单个电压源进行操作。然而,分压供电操作也是可能的。内部提供频率补偿 ,以使高增益放大器 在宽频率范围内工作。
电源电流消耗几乎与 LM324 的电压供应无关。在增益等于 1 时,可以对输入偏置电流和交叉频率进行温度补偿,无需两个电源即可运行。
差分输入电压等于地电压,也可以轻松实现 100 倍的大直流电压增益。
LM324实物图
LM324引脚图及功能
LM324 有 14 个引脚 ,分别为 CDIP、PDIP、SOIC 和 TSSOP 。你可以查阅数据手册(Datasheet) 以了解所有封装的物理尺寸。引脚图及其详细信息如下所示:
LM324引脚图及功能图
LM324引脚图及功能
接下来讲详细介绍 10 个非常实用且易于理解的LM324电路。
主要是以下10个电路:
1、LM324 反相交流放大电路2、LM324 同相交流放大电路3、LM324交流信号三分配放大电路4、LM324 有源带通滤波电路5、LM324温度测量电路6、LM324 比较器电路7、LM324单稳态触发电路8、LM324步进波发生器电路9、LM324 高灵敏度嗅探器电路10、LM324 响应电路1、LM324 反相交流放大电路
LM324放大器 可以代替三极管进行交流放大 ,并且用于放大器的前置放大 。具体的电路图如下所示:
LM324 反相交流放大电路不需要调试 ,放大器采用单电源供电 ,由 R1 和 R2 组成1/2V+偏置,C1为抑振电容。
反相交流放大器电路
LM324 反相交流放大器电压放大系数 Av 仅由外部电阻 Ri 和 Rf 决定 :
Av=-Rf/Ri
负号表示 输出信号 和 输入信号 相位相反。根据图中给出的值Av=-10,该电路的输入电阻为Ri。
一般情况下,Ri 首先等于信号源的内阻,然后根据需要的放大倍率选择Rf,Co 和 Ci 是耦合电容。
2、LM324 同相交流放大电路
同相交流放大器 的特点是输入阻抗高。 R1 和 R2 形成一个 1/2V+ 分压器电路,通过 R3 对运算放大器进行偏置。
电路的电压放大系数 Av 也只由外接电阻决定:
Av=1+Rf/R4
电路输入电阻 为R3,R4的阻值从几千欧到几万欧不等。
同相交流放大器电路
3、LM324交流信号三分配放大电路
LM324交流信号三分配放大电路 可将输入交流信号分成三路输出 ,三路信号可作指示 、控制 、分析 等用途,对信号源影响很小 。
由于运放 Ai 的输入电阻较高,运放A1-A4都直接将输出端接到负输入端,信号输入到正输入端,相当于Rf=的情况0 同相放大状态。
因此,每个放大器的电压放大系数为1 ,与分立元件组成的射极跟随器相同 。
图 4. 交流信号三分配放大器电路
R1 和 R2 形成 1/2V+ 偏置。静态时,A1输出端的电压为1/2V+,所以运放A2-A4的输出也是1/2V+。交流信号通过输入输出电容的隔直功能取出,形成三路配电输出。
4、LM324 有源带通滤波电路
很多音频设备的频谱分析仪都用LM324 有源带通滤波电路 作为带通滤波器来选择不同频段的信号 ,并用显示器上发光二极管的数量来指示信号幅度的大小。此有源带通滤波器的中心频率为:
LM324 有源带通滤波电路的中心频率公式
中心频率 fo 处的电压增益 Ao= B3/Qo*2B1 ,其中 Qo 的公式如下图所示:
0.3dB 带宽 B=1/(п*R3*C) 也可以基于 Q,fo , Ao 值由设计确定,带通滤波器的元件参数值:
R1=Q/(2пfoAoC)
R2=Q/((2Q2-Ao)*2пfoC)
R3=2Q/(2пfoC)
上式中,当 fo=1KHz时,C取0.01Uf,该电路也可用于一般的选频放大。
有源带通滤波器电路
LM324 有源带通滤波电路也可以使用单电源,只需将运放的正输入偏置为1/2V+,电阻R2的下端接运放的正输入即可。
5、LM324温度测量电路
LM324温度测量电路 图如下所示,温度探头采用硅三极管3DG6 ,接成二极管形式。硅晶体管的发射结电压温度系数约为-2.5mV/℃,即温度每升高1度,发射结电压下降2.5mV。
运放 A1 以同相直流放大的形式连接。温度越高,三极管BG1的压降越小,运放A1同相输入端的电压越低,输出端的电压也越低。
温度测量电路
这是一个线性放大过程,我们只需要在A1的输出端接一个测量或处理电路来指示温度或进行其他自动控制。
6、LM324 比较器电路
当去掉运放的反馈电阻,或者反馈电阻趋于无穷大时(即开环状态),理论上运放的开环放大倍数也是无穷大的(其实就是非常大。比如LM324运放的开环放大是100dB,也就是10万倍)。
此时 LM324会形成一个电压比较器,其输出要么为高电平(V+),要么为低电平(V-或地)。当正输入电压高于负输入电压时,运放LM324输出低电平。
LM324 比较器电路
在上图中,两个运算放大器用于构成电压比较器 。其中,电阻R1、R1ˊ构成分压电路,为运放A1设置比较电平U1;电阻R2、R2ˊ构成分压电路,为运放A2设置比较电平U2。
输入电压U1同时施加在A1的正输入端和A2的负输入端之间。当Ui>U1时,运放A1输出高电平;Ui <SPAN>时,运放A2输出高电平。
只要运算放大器A1和A2输出高电平,晶体管BG1就会导通,发光二极管LED就会点亮。
如果选择U1>U2,当输入电压Ui超过[U2,U1]的范围时,LED灯亮,为电压双限指示。
如果选择U2>U1,当输入电压在[U2,U1]范围内时,LED灯亮,为“窗口”电压指示。
LM324比较器电路与各种传感器配合使用 。稍加修改,即可用于各种物理量的双限检测 ,短路 、断路报警 等。
7、LM324单稳态触发电路
如下图所示,LM3224 单稳态电路 可用于一些自动控制系统 。电阻R1和R2构成分压电路,为运放 A1 (LM324)的负输入端提供偏置电压 U1 作为比较电压参考。静态时,电容 C1充满电,运放 A1 正输入电压 U2 等于电源电压V+,所以 A1 输出高电平。
当输入电压 Ui 变低时,二极管 D1 导通,电容 C1 通过 D1 快速放电,使 U2 突然下降到地电平。此时,由于 U1>U2,运放 A1 输出低电平。
当输入电压 Ui 变高时,二极管 D1 截止,电源电压 R3 对电容 C1 充电。当 C1 上的充电电压大于 U1 时,U2>U1 和 A1 输出都变为高电平,从而结束单稳态触发。
显然,增加 U1 或增加 R2 和 C1 的值会增加单稳态延迟时间,反之亦然。
LM 324 单稳态触发电路
LN324 单稳态触发电路
如果去掉二极管D1,这个电路就具有上电延时功能。上电时,U1>U2,运放A1输出低电平。随着电容器C1继续充电,U2继续上升。当 U2>U1 时,A1 输出变为高电平。
8、LM324步进波发生器电路
下图是由电流型运放组成的梯形波发生器 LM324实用电路。运算放大器A1( LM324 )和外围元件组成矩形波发生电路并输出脉冲串。
阶跃波发生器电路
运放 A2 及其外围元件为积分保持电路 。积分电容对输入脉冲进行积分并保持输入脉冲的阶跃,在输出端得到的是每一步的累加,也就是步进波。
运算放大器 A3 是一个电压比较器。当阶跃波电压上升到电源电压的80%左右时,A3反转。
运放 A4 及其外围元件为单稳态电路。A3 的反相使其输出一个脉冲(约100UFS),作为复位脉冲来复位 A2,从而完成一个梯形周期。
9、LM324 高灵敏度嗅探器电路
使用 LM324高灵敏度嗅探器电路 ,你可以在远处听到非常微弱的声音 ,其指向性强且灵敏度高。 例如,你可以用它来听到运动场上运动员和教练员的耳语。
高灵敏度嗅探器电路
LM324高灵敏度嗅探电路的工作原理 :
电路上图所示。安装在专用管中的麦克风接收某个方向的声音(其他方向的声音被抑制),送至放大器进行放大。放大器由两级组成。第一级由 LM324 的四个运算放大器中的一个组成,增益为 110 倍。第二级由另一个运算放大器组成,增益为 500 倍。
如此高的放大能力,足以将非常微弱的声音信号放大,由耳机输出。它可以用来听到人耳无法从远处直接听到的微弱声音。
LM324 中集成了四个运算放大器,这里只使用了A和D,接线方法可以参考上图;R1=R2,取值范围在10K---100K之间;电源+6V---9V,两个(或三个)电池夹可串联使用;本机的灵敏度极高,测试期间不要在 MIC 附近讲话。10、LM324 响应电路
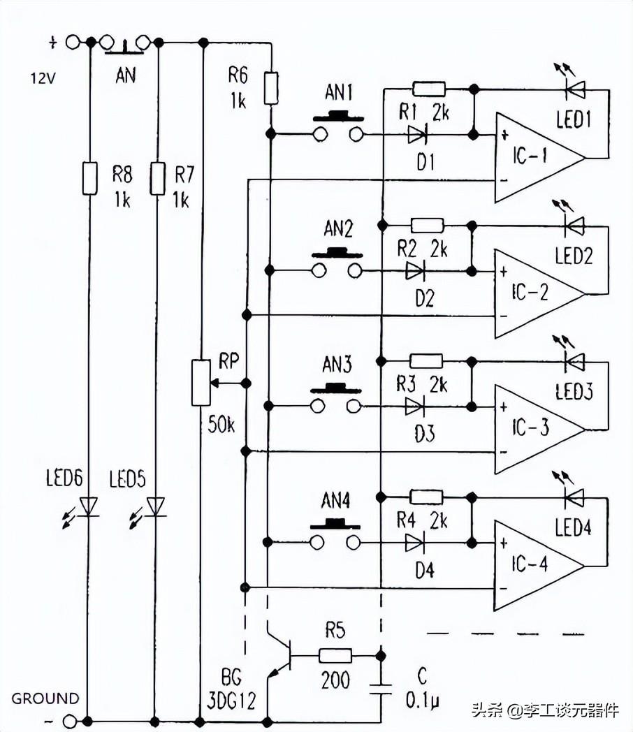
我们可以使用运放LM324 按照“电路简单、成本低、元器件容易获取”的原则设计制造成功的接听器电路,如下图所示:
LM324 响应电路
上图中LM324响应电路的电路原理 :
通过打开电源并调节 RP ,每个运放的反相输入端都会有一定的电压。由于各运放同相端通过R1~R4和R5、BG的R结接地,各运放输出低电平;当AN1按下时,R6和R1分压(因为C的电压不能突变,BG 没有导通),使运放IC-1的同相输入端产生一定的电压。
这个电压高于反相输入端的电压,运放IC-1输出高电平,通过LED1反馈到同相输入端并自锁。同时,电流通过R1、R5、BC be 接地。一方面保持 LED1 亮;另一方面为 BG 提供基极电流。
C 的延时功能结束后,BG 饱和开启。即使再次按下其他按键,相应运放的同相输入端也不会因为没有更高的电压输出高电平,从而保证了先按键的人接听成功。AN 复位后,可进行第二轮抢答。
调试本电路前,先用一个容量较大的电容 C 调整 RP ,使每个运放 LM324 的反相输入端电压为 4V 左右,然后在各通道能可靠触发的情况下尽量减小 C 的容量。
以上就是关于LM432运放电路 的知识,希望大家多多支持 我,得点赞 ,关注 ,有问题欢迎在评论区留言 ,大家一起讨论 。
图片来源于网络
相关问答
324芯片的引脚功能?
324芯片的引脚功能有。LM324是四运放集成电路。各引脚功能是:4脚VCC,11脚GND。1脚OUT1,2脚IN1-,3脚IN1+。5脚IN2+,6脚IN2-,7脚OUT2。8脚OUT3...3...
芯片LM324N怎么判定好坏-ZOL问答
LM324N芯片检查要确保供电正常、引脚间绝缘良好。可以先用电压表量一下电源和地线是否有电压差;再逐个测试输入输出端子与公共地的导通性;使用示波器观察内部电...
utc324引脚功能详细讲解?
UTC324是四运算放大器,1脚:输出1,2脚:输入1(-),3脚:输入1(+),4脚:Vcc,5脚:输入2(+),6脚:输入2(-),7脚:输出2,8脚:输出3,9脚:输入3(-),10脚:......
lm324是数字集成电路吗?
LM324是四运算放大器集成电路。LM324是四运算放大器集成电路。
LM324N芯片是什么芯片?
LM324N是一种低功耗运算放大器,属于集成电路芯片的一种。它由四个独立的运算放大器组成,具有高增益、低输入偏置电流和低输入偏置电压等特性,广泛应用于电子电...
KIA324和LM324区别?
KIA324和LM324是一样的芯片,KIA324是南韩的芯片标号,LM324是美国国半的芯片标号,内部电路原理图一样,引脚排列一样。KIA324的电源电压范围36V或正负18V,LM3...
73101YXA和324A芯片的具体作用是什么,这是液晶显示屏上的芯...
324是运放拿去售后让人家看看估计焊接是不可能了肯定会让你换的LCD(液晶显示器)遭雷击后,一般容易损坏高压主控芯片,同时影响到高压板;因此,这两个部件要重...
LM324替换型号是什么?
LM324是一款双运放芯片,常用于音频放大器、滤波器等电路中。如果需要替换LM324芯片,可以考虑以下型号:1.TL072:与LM324具有相似的特性和功能,但具有更高的...
LM324组合3842的48V充电器,经过更换3...-汇财吧专业问答test
[回答]充电器的MOS管第三脚接的是一个3W棕黑银金的电阻,这个电阻更换绝对要和以前的一样《电流取样检测》,如果换大或者换小都会当时损坏MOS管,...48V充...
万用表怎样测量LM324好坏?
光用电阻档测量阻值只是大概判断lm324内部有没有短路开路问题具体还是要带电测由于lm324是四运放具体电路不一样作用也不一样有的电路会拿他做比较器...
