解析三端稳压集成电路
三端稳压集成电路典型应用电路工作原理分析与理解
(1)外形特性。只有3根引脚,与普通三极管相近,标准封装是TO-220,也有TO-92封装。
(2)系列。78和79两个系列。
(3)散热片要求。小功率应用时不用散热片,但带大功率时要在三端稳压集成电路上安装足够大的散热器,否则稳压管温度过高,稳压性能将变差,甚至损坏。
(4)输出电压规格。5V、6V、8V、9V、12V、15V、18V、24V,−5V、−6V、−8V、−9V、−12V、−15V、−18V、−24V。
(5)输入电压范围。上限可达3 0余伏,为保证工作可靠性,比输出电压高出3~5V裕量,过高的输入电压将导致器件的严重发热,甚至损坏,同时输入电压也不能比输出电压低2V,否则稳压性能不好。
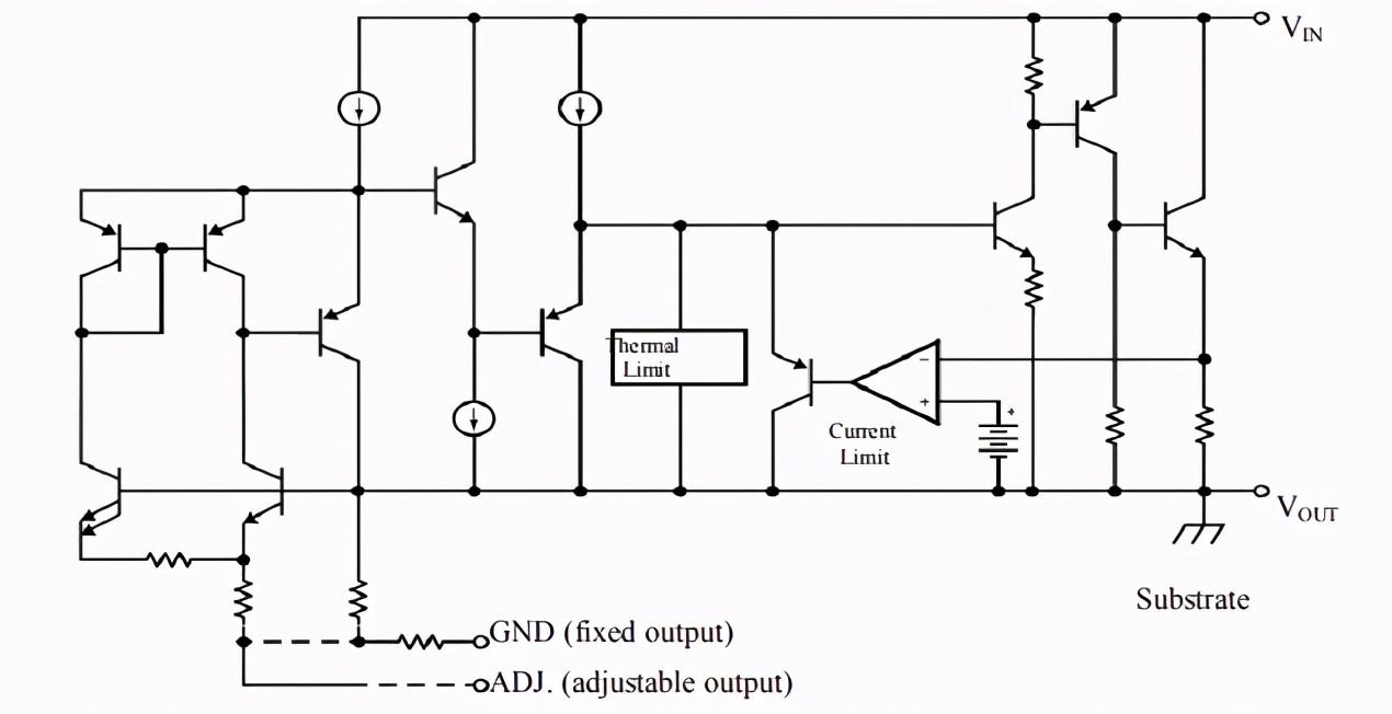
(6)保护电路。电路内部设有过电流、过热及调整管保护电路。
(1)78 系列。78系列为正极性三端稳压集成电路,输出正极性直流电压。78后面的两位数字表示输出电压,例如7805表示输出+5V,7812表示输出+12V。
(2)79系列。79系列则为负极性三端稳压集成电路,输出负极性直流电压,79后面的两位数字表示输出电压,例如7905表示输出−5V,7912表示输出−12V。
有时在数字78或79后面还有一个M或L,如78M15或79L12,用来区别输出电流和封装形式等。
78L系列的最大输出电流为100mA,78M系列最大输出电流为1A,78系列最大输出电流为1.5A。
79系列除输出负电压外,其他与78系列一样。
3.三端稳压集成电路引脚分布规律
图3-34所示是三端稳压集成电路引脚分布规律示意图。这种集成电路只有3根引脚,其引脚功能分别是:直流电压输入引脚①、直流电压输出引脚③和接地引脚②,将集成电路正向放置,左起为①脚,自左向右为各引脚。
图3-34 三端稳压集成电路引脚分布规律示意图
4.三端稳压集成电路典型应用电路
图3-35所示是三端稳压集成电路典型应用电路。三端稳压集成电路A1的外电路非常简单。三端稳压集成电路接在整流、滤波电路之后,输入集成电路A1的是未稳定的直流电压,输出的是经过稳定的直流电压。
图3-35 三端稳压集成电路典型应用电路
① 脚是集成电路的直流电压输入引脚,从整流、滤波电路输出的未稳定直流电压从这一引脚输入到A1内电路中。
② 脚是接地引脚,在典型应用电路中接地,如果需要进行直流输出电压的调整,这一引脚不直接接地。
③ 脚是稳定直流电压输出引脚,其输出的直流电压加到负载电路中。
电路中的C1为滤波电容,其容量比较大;C2为高频滤波电容,用来克服C1的感抗特性;C3是三端稳压集成电路输出端滤波电容,一般容量较小。
三端稳压集成电路输出电压调整电路工作原理分析与理解
典型的三端稳压集成电路②脚直接接地,如果实用电路中所要求的输出电压不在78或79系列的输出电压值中,可以通过改动电路来实现。
1.三端稳压集成电路输出电压调整电路工作原理分析与理解
图3-36所示是三端稳压集成电路输出电压大小任意调整电路。这一电路与典型应用电路的不同之处是在②脚与地线之间接入了一只可变电阻器RP1。
图3-36 三端稳压集成电路输出电压大小任意调整电路
②脚流出的电流流过RP1时存在压降,该压降是这一电路输出电压的增大量。设A1采用7809,那么③脚相对于②脚是9V。而③脚相对于地线电压是9V加上RP1上的压降。
调节RP1,可以改变RP1的阻值大小,从而可以调节RP1上的压降,达到调整稳压电路输出电压大小的目的。
当RP1的阻值调到为0Ω时,就是典型的三端稳压电路;当RP1阻值增大时,这一电路的输出电压增大。
2.串联稳压二极管电路
图3-37所示是串联稳压二极管电路。这是三端稳压集成电路A1②脚串联稳压二极管的电路。
图3-37 串联稳压二极管电路
VZ1是稳压二极管,集成电路A1②脚输出的电压使VZ1导通,这样②脚对地之间的电压就是VZ1的稳压值,所以这一稳压电路的输出电压大小就是在A1输出电压值基础上加VZ1的稳压值。
3.串联二极管电路
图3-38所示是串联二极管电路,这是三端稳压集成电路A1②脚串联二极管的电路。
图3-38 串联二极管电路
电路中的VD1是二极管,正极接A1的②脚,VD1在②脚输出电压作用下导通,VD1上的压降为0.7V,所以这一稳压电路输出的电压比典型电路高0.7V。如果多串联几只二极管,输出电压还会增大。
三端稳压集成电路增大输出电流电路工作原理分析与理解
采用单个三端稳压集成电路不能满足输出电流要求时,可以采用增大输出电流的电路。
1.三端稳压集成电路分流管电路
图3-39所示是三端稳压集成电路分流管电路。电路中的R1和VT1是在典型应用电路基础上另加的,用来构成集成电路A1的分流电路。
流过R1的电流在R1两端产生压降,其极性为左正右负,压降加到VT1基极与发射极之间,是正向偏置电压,VT1导通,一部分负载电流通过VT1发射极、集电极供给负载。
图3-39 三端稳压集成电路分流管电路
R1的阻值可以取1Ω,流过R1的电流比较大,要求它的额定功率比较大,否则会烧坏R1。
VT1是PNP型管,为A1分流,称为分流管,流过VT1和A1的电流之和是负载电流。
2.三端稳压集成电路并联运用电路
图3-40所示是三端稳压集成电路并联运用电路。电路中的A1和A2是两块同型号三端稳压集成电路,要求两个集成电路性能一致,否则会在烧坏一块后继续烧坏另一块。
图3-40 三端稳压集成电路并联运用电路
集成电路A1为负载平均分担工作电流,A1和A2为负载电路提供相同的工作电压。
ams1117-33v电源稳压芯片低压差线性稳压器
AMS1117是一个三端稳压器,它的稳压调整管是由一个PNP驱动的NPN管组成,有固定和可调两个版本可用,输出电压可以是:1.2V,1.5V,1.8V,2.5V,2.85V,3.0V,3.3V,和5.0V。AMS1117-3.3是一种输出电压为3.3V的正向低压降稳压器,适用于高效率线性稳压器。
ams1117-3.3v管脚图
ams1117-3.3v稳压芯片特点
■ 最大输出电流为 1A
■ 输出电压精度高达±2%
■ 稳定工作电压范围为高达 12V
■ 电压线性度为 0.2%
■ 负载线性度为 0.4%
■ 环境温度:TA的范围是-20℃~125℃
ams1117-3.3v应用电路图
ASM1117的工作原理是通过对输出电压采样,然后反馈到调节电路去调节输出级调整管的阻抗,当输出电压偏低时,就调节输出级的阻抗变小从而减小调整管的压降,当输出电压偏高时,就调节输出级的阻抗变大从而增大调整管的压降,这样就维持了输出电压的稳定。
ams1117-3.3v稳压芯片输出电压:3.235~3.365V(10mA≤Iout≤1A , 5.3 V≤Vin≤12V);线路调整(最大):10mV(5.3 V≤Vin≤12V);负载调节(最大):20mV(Vin=5.3V, 0≤Iout≤1A);电压差(最大):1.4V静态电流(最大):12mA;纹波抑制(最小):60dB。更多三端稳压器ams1117将5V的电源转换成3.3V的应用资料请向骊微电子申请。>>
相关问答
什么是三端稳压器?_齐家问问
[最佳回答]三端稳加器一般用于直流电路,起到降压、稳压的作用。三端稳压器,主要有两种,一种输出电压是固定的,称为固定输出三端稳压器,另一种输出电压是可调...
multisim12三端稳压在哪-ZOL问答
首先1117很烫手不见得是1117坏了很有可能是1117后端的负载过重或短路建议先量1117周围的几个电解电容看是否短路,1117做为3端稳压芯片一般用万用表是没法直...
什么是三端稳压器?有谁知道?
三端稳压器一般是指电源转换芯片,主要有两种形式,固定输出的三端稳压器和可调输出的三端稳压器。下面举例介绍一下。固定输出的三端稳压器所谓固定输出,就是...
3.3v三端稳压芯片承受最高多少v电压?
3.3v三端稳压芯片输入端最高可以承受36v电压。3.3v三端稳压芯片输入端最高可以承受36v电压。
三端稳压7810与7910区别?
三端稳压集成电路7810和7910是比较常用的电子元件,而且输出端都是稳定的10v,只是7810和7910的极性不同,实际应用中,7810的公共端是负极,它的输入端接高于+10...
三端稳压器7805(贴片封装)是什么呀?
+5V三端稳压集成电路。输入电压7(7.5)-35V。输入电压过低则起不到稳压作用。7805很少有贴片封装的形式,因为他是功率输出元件。你再仔细检查一下是否看的...
三端稳压芯片发热原因?
三端稳压器是一个串联型的集成稳压器,他在进行稳压工作时是与外接的负载串联在一起的,也就是说他提供给负载的电流也会流过三端稳压器本身,当电流从三端稳压器...
三端稳压块串联还是并联?
根据场合及工作设计的需求,三端稳压块可以串联也可以并联的。三端稳压块并联可以提高输出电流,但各个稳压块需串联个用于自动平衡电流的小阻值电阻。而三端稳...
三端稳压器7815工作原理是什么?
7815是正15V1A固定输出电压的稳压集成电路,因为它只有输入、输出、公用地3条脚,所以叫三端稳压器,输入+18V至+40v电压,输出保持+15V不变。注意:要想电压稳定...
三端稳压器7812各个引脚的功能是什么?-ZOL问答
其中引脚1是稳压器的输入,3是稳压器的输出,2是稳压器的接地端。三端稳压管是一种直到临界反向击穿电压前都具有很高电阻的半导体器件。稳压管在反向击穿时...
