12:从芯片说起~芯片是如何工作的
前面一小节介绍了芯片是什么。我们虽然知道了芯片是个什么东西,但是仍然不知道芯片是如何工作的。我们还是要了解芯片的具体工作原理,才能真正理解编译器设计机器码、中间代码的原因。下面我们就从学习一个最简单的8位CPU的设计原理,来搞懂芯片到底是如何工作的。当前CPU设计已经很复杂了,原理也和本文的内容有很大差异,但是万变不离其宗,最基本的原理还是一致的。
注:本小节内容主要是对《But How Do It Know? - The Basic Principles of Computers for Everyone》一书的理解总结,这本书目前还没人翻译。建议英文条件好的同学都去买英文原本看下,或者网上也有电子书。
芯片内部什么样子
芯片电路图
学过数字电路的同学是不是感觉上面的电路图并不复杂?目测就一百多个门电路和封装好的译码器、移位器等拼一块儿竟然就成了一个8位CPU芯片。最右边是输入机器码的地方。红色是每个时钟电路的通路。
记住这一点:CPU芯片本质上只是在不断的重复取指令、计算、输出结果,而取值、计算、输出本质上就是芯片内部的不同通路 。而不同通路的选择以及值的传递靠的是门电路。下面我们就来从头开始DIY自己的8位CPU芯片,借此理解芯片的工作原理。
一点背景知识
开始动手DIY芯片之前,我们要了解一下基础的数字电路。这些并不复杂,只要你懂基本的逻辑运算就可以。门电路只不过换了一种符号体系来表示数学运算。
与非门
c = !(a & b),其中c是输出,a、b是输入。这个计算公式表达的含义就是将a、b做与运算后再取非。注意:a和b都是一根线,换句话说都是一个bit。对应数字电路的与非门:
与非门
真值表
请各位同学记住:这是这个芯片里面最重要的基本电路。
非门
c = !(a & a)。与非门大家看懂了,这个就没啥好说的了。纯粹就是拿与非门实现了非门电路
非门
1bit存储单元
来了,重点来了,我们开始用基本的门电路搭建一bit的存储单元。数字电路有很多的稳定的状态(简称稳态),有的稳态输出0,有的稳态输出1。输出从0切换为1,或者从1切换为0,都只不过是外部条件触发从一个问题切换到另一个稳态。
废话不再多说,上电路图:
1bit存储单元
我们来分析下电路的输出:
1.i=0 s=1。此时a=1,b=0,c=1,o=0。
2.i=1 s=1。此时a=0,b=1,o=1,c=0。
规律1:当s=1时,o的值和i保持一致。i就是输入,o就是输出。
3.i=0, s=0。此时a=1,b=1,o和c的值既可以是0,也可以是1,或者说保持原有值。
4.i=1, s=0。此时a=1,b=1,o和c的值既可以是0,也可以是1,或者说保持原有值。
规律2:当s=0时,o的值维持自己的值不变,无论i怎么变化。
看到没 !!!规律1+规律2是不是造就了一个可以保存输入值的电路,这就是1bit内存单元。支持写入,支持读取。
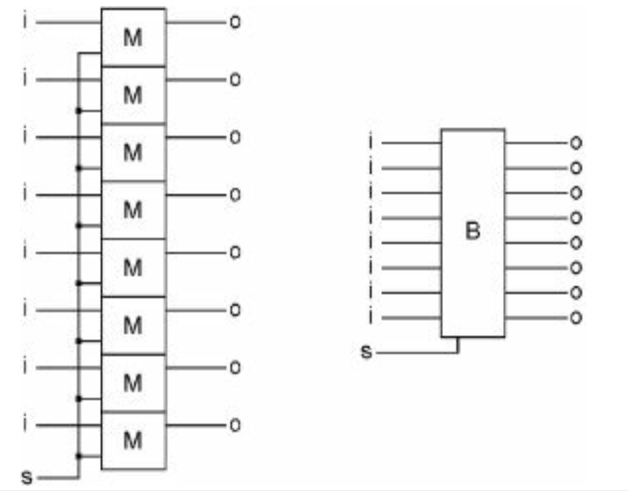
8bit存储单元
1bit我们做好了,8bit就是集合8个1bit单元。用一个开关位控制(如果多个开关位也可以,那就表示CPU支持位操作指令)
8bit存储单元
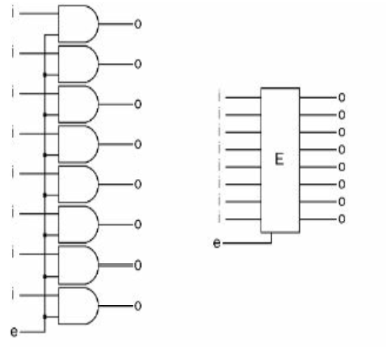
总线
我们先来介绍一个新的电路,由多个与门电路组成。这个电路当e关闭时,无论i输入怎么变化,输出的值都是0。当e打开时,输出和输入保持一致。
使能电路
我们把这个电路和前一个电路串联起来,得到下面这个电路,这个就是我们后面要用到的8bit寄存器了。这个电路很重要,前面的B允许我们读取输入并保存起来(无论输入后面怎么变化)。后面的E允许我们该输出的时候才输出:
寄存器电路
再来加入一个关键概念总线 :
我们把8bit线的连接用“=”符号替换,这就是总线了。这里也能看出一个重要概念,总线其实是有位数的概念的。
简化后的表达
其他表示方法
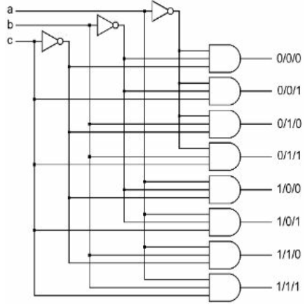
译码器
再来最后一个译码器电路。其实就是将abc的值,翻译成具体的值。
译码器
好了,我们可以继续了。有了这些背景知识,你就可以做一个CPU了。下个小节我们正式开始
动图加详细解释:让你一下看懂芯片是如何制造出来的
作者:佰思科学 | 沈东旭 邱亚明
芯片可以被称为现代信息产业的粮食,如果没有芯片,所有的信息产品都要停摆。 近来美国对华为的制裁,传说中的对中芯国际的制裁,都是想从根本上阻挡中国信息产业的蓬勃发展之势。
芯片是如此的重要,大家也对芯片行业的发展动态十分的关注。故而很多人也想更清楚地了解,芯片到底是如何制造出来的。本文通过一系列动图向你展示整个芯片的制造流程。芯片的诞生过程,可以分为设计、制造、封测三大步。
设计
芯片的诞生总是从设计开始的。 下面你所看到的,就是芯片的设计图。
芯片设计图
在芯片设计图中,你可以看到很多这样的符号:
晶体三极管
这些都是晶体管的符号。晶体管有三个管脚,上下两个管脚C和E之间可以流过电流,而中间那个B管脚则是一个开关,决定了C和E之间能否有电流通过。看起来就好像下图一样,
晶体管工作示意图
当然,点按开关的小手指头,只不过是一个可爱的模拟;真实的实现,是通过B管脚的电流来控制,直观来说如下图所示,
晶体管的工作原理
我们都知道,在数字化系统中,信息都有0、1来代表,因此晶体管这种开与关的状态天然与0、1状态相切合,自然而然就成了数字电路中最基本的组成部分。换句话说,用一定数量的晶体管,就能实现我们想要的功能;想要得到更多更好的功能,就要增加晶体管数量。假如我们把芯片比做一栋大厦,那么晶体管就是建设这栋大厦的每一块砖。
一开始,晶体管长成这样:
晶体管
是不是感觉有点占地方?于是,人们就想办法把晶体管做小,就出现了集成电路,也就是芯片。 在芯片里,集成了大量的晶体管。对同样面积的芯片来说,每一个晶体管的尺寸越小,能容纳的晶体管数量就越多,芯片功能就越强大。简单来说,晶体管两个管脚之间的距离被定义为线宽,线宽越窄,则晶体管就越小,那么芯片能容纳的晶体管就越多。我们常说某种芯片采用了5纳米或者7纳米的工艺,这里面的5纳米或7纳米指的就是晶体管的线宽。 以华为最新的麒麟1020芯片为例,采用的是台积电5nm工艺,晶体管数量达到了惊人的150亿。
麒麟1020是当前世界上最先进的手机处理器
制造
芯片设计好了,该怎么制造呢?芯片是在一块圆型的高纯度硅片上进行制造的,人们管它叫做晶圆(Wafer)。硅的纯度非常高,用于做芯片的硅能达到11个9的纯度,就是99.999999999%。
晶圆由高纯度的硅制成
晶圆有不同的直径。随着技术的进步,晶圆的直径总是在增加。 大晶圆能生产更多的芯片,更少的浪费,因此能带来更好的制造效率,降低成本。近年来,晶圆的直径从4英寸(100mm)、6英寸(150mm),已经增加到8英寸(200mm)、12(300mm)英寸。未来还会增加到15英寸甚至20英寸。
不同的晶圆尺寸
制造芯片的过程,本质上来说就是在硅材料上实现一个个晶体管的过程。 芯片里面的晶体管可以抽象成下图中的模式:
芯片里的晶体管
在硅晶体的上面,需要有一个二氧化硅绝缘层,再上面还有一个导电硅化合物层(图中红色部分),起到开关的作用。晶体管的电流流动模式如下图所示:
晶体管内的电流流动
整个芯片的制造过程分为很多细小的步骤。首先晶圆要放进加热炉(Furnace)里,炉子的温度有1000℃,目的是将晶圆表面氧化,形成二氧化硅绝缘层。
晶圆被放进加热炉中氧化
然后,在晶圆表面涂上光刻胶,这是为了进行晶圆曝光做准备。
涂光刻胶
至此,所有的准备工作都做完了,下一步就是上光刻机了。在曝光之前,你需要有光掩膜(Mask)。这是一块绘有电路图的玻璃,光刻机就要把上面的电路图投影到晶圆上面去。光掩膜是非常贵的,几十万美元很常见,贵的甚至超过一百万美元。
光掩膜
晶圆曝光的原理很简单,就是光通过掩膜和镜头,投射到晶圆上面去。
晶圆曝光的原理
现在进行晶圆曝光的光源通常是深紫外光(DUV)或者极紫外光(EUV)。光刻机曝光的过程可以看下图:
光刻机进行晶圆曝光
原理虽然简单,但执行曝光操作的光刻机则是超级复杂的机器,号称人类有史以来做过的最复杂的机器。在所有芯片生产步骤里,中国企业与世界先进水平差距最大的就是光刻机;其他领域虽然也有差距但解决起来都比光刻机容易。 换句话说,只要中国的光刻机水平能与世界先进水平看齐,则中国整体芯片生产能力也将达到世界先进水平。光刻机包括了光源,透镜和双工件台三大部分,双工件台相当于放晶圆的架子。 光刻机的内部结构见下图,
光刻机的内部结构
曝光之后,就要把晶圆上不需要的部分去掉,需要的部分保留。下一道工序就叫做蚀刻 ,常用的方法是等离子蚀刻,晶圆在蚀刻机受到等离子体的轰击,不需要的部分就被去除了。
蚀刻机在工作
再下一步就是离子注入,也叫做掺杂 --硅片内需要掺入一些元素以改变硅的导电性能。在离子注入机里,这些元素的带电离子被加速后撞击晶圆,进入硅片内部。
离子注入设备
这个步骤完成之后,一个曝光流程就基本结束了。通常每次曝光制作的只是芯片的一部分,完整的芯片需要多次曝光完成。于是又要重复之前说过的氧化、镀膜、光刻、蚀刻、掺杂等步骤,复杂的芯片要反复操作好几十次,才能最终完成。
封测
对芯片代工厂来说,处理完成的晶圆是这样的。
代工厂加工好的晶圆
再下一步的工作就是送去封测厂,先对晶圆进行切割,就得到了一个个的裸片,die。
切割晶圆
裸片放到合适的包装里 ,再经过检测,就成为芯片了。
芯片常见的封装形式
如果以上解释你看的不过瘾,可以在我们头条主页看一个由佰思科学制作的2分半钟的芯片制作视频!
相关问答
芯片工作原理?
芯片的工作原理是:将电路制造在半导体芯片表面上从而进行运算与处理的。集成电路对于离散晶体管有两个主要优势:成本和性能。成本低是由于芯片把所有的组件通...
芯片的作用原理和应用?
芯片是一种半导体材料,又被称为“集成电路”,芯片在我们生活中运用的范围十分的广泛,我们的生活也离不开芯片。芯片是由大量晶体管组成,一个小小的芯片里面...
手机芯片内部是如何工作的?
这个问题太大了吧,只能简单地说芯片都是按照通断电输出01信号进行表述的,操作系统就是通过编写特定的通断电输出指定的信号,并且把这些信号按照一定的逻辑进行...
芯片的工作原理是什么?-懂得
芯片简单的工作原理:芯片是一种集成电路,由大量的晶体管构成。不同的芯片有不同的集成规模,大到几亿;小到几十、几百个晶体管。晶体管有两种状态,开...
最简单的芯片工作原理?
芯片简单的工作原理:芯片是一种集成电路,由大量的晶体管构成。不同的芯片有不同的集成规模,大到几亿;小到几十、几百个晶体管。晶体管有两种状态,开和关,...
芯片的工作原理??-145****5568的回答-懂得
4位双向移位寄存器(并行存取,4位双向通用移位寄存器
芯片是什么,芯片的工作原理,芯片基础知识介绍?
集成电路英语:integratedcircuit,缩写作IC;或称微电路(microcircuit)、微芯片(microchip)、晶片/芯片(chip)在电子学中是一种把电路(主要包括半导体.....
公章芯片工作原理?
新型编码标准印章的章面印有系统自动生成的细密防伪纹线(就像人的指纹)与13位数字编码,可通过互联网登录“印章备案入网查询系统”进行印章相关信息查询。新...
集成电路原理?
1、集成电路的工作原理,简单地说,就是三点:(1)把晶体管直接制作在单晶硅上;(2)把各元件高度密集地集成在一起,其连线越来越细,目前已经细到纳米级;...1、集...
为什么芯片能根据指令工作?
芯片的工作原理是将电路制造在半导体芯片表面上从而进行运算与处理的。芯片是一种集成电路,由大量的晶体管构成。不同的芯片有不同的集成规模,大到几亿;小到...
